WT PROFILY – „I“ PROFILY S VLNITOU STOJINOU (Sin beam)
Funkce a výhody konstrukce
- WT profily představují ekonomickou náhradu svařovaných nebo vysokých válcovaných „I“ profilů. Díky optimalizovanému tvaru stojiny přinášejí úsporu materiálu 20–30 % oproti klasickým svařovaným „I“ profilům.
- Tenkostěnná, sinusově zvlněná stojina odolává boulení i bez příčných výztuh, což zlepšuje ekonomiku i montážní rychlost.
Popis, konstrukce a rozsah provedení
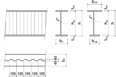
- WT profily (profily s vlnitou stojinou) jsou svařované I průřezy s pásnicemi z plechu tl. 6–30 mm a šířky 120–450 mm, s tenkostěnnou stojinou ve tvaru sinusoidy.
- Vlnitý tvar stojiny zabraňuje boulení štíhlé stěny, podstatně redukuje hmotnost WT profilu a umožňuje vynechat běžné příčné výztuhy.
- Nejčastější rozměry – výška WT profilu: 333, 500, 625, 750, 1000, 1250 a 1500 mm.
- Standardní tloušťky stojiny: 2,0 / 2,5 / 3,0 mm. Na poptávku je možné provedení 4,0–6,0 mm.
- Pásnice: ocel S235, S275 nebo S355 v rozměrech 120×6 mm až 450×30 mm; mohou být shodné nebo může být jedna až o 50 mm širší.
- Stojina - ocel: S235 nebo S355.
- WT profily lze dodat jako přímopasové nebo s proměnnou výškou stojiny v rozsahu 250–1250 mm.
Podrobnosti viz Charakteristika WT profilů
Příručka ke staženíNormy a požární odolnost
- Pro dimenzování kontaktujte naše Technické oddělení
- Návrh a posouzení WT profilů se provádí dle souboru norem ČSN EN 1993.
- Požární odolnost lze standardně prokazovat výpočtem podle ČSN EN 1993-1-2.
- Bez dodatečných protipožárních ochran lze běžně dosáhnout klasifikace R15, ověřené testy v PAVUS.
Návrh a posouzení profilů s vlnitou stojinou se běžně provádí dle souboru norem ČSN EN 1993.
